- Технические характеристики и другая информация предоставляются для справки.
- Чертежи и изображения представлены для ознакомления
Подшипник шариковый радиально-упорный 90BAR 10S
Конструктивным отличием в серии Подшипник шариковый радиально-упорный 90BAR10S является особое расположение и строение дорожек качения, что позволяют передавать нагрузки между ними под меняющимся углом контакта. Система включает в себя наружную и внутреннюю шины с телами качения между ними. Устройство может иметь разборные, неразборные или съемные обоймы, скосы на шинах, оснащаться трех - или четырехточечными контактами. Существуют варианты с углами от 12 до 60 градусов.
Чем выделяется Подшипник шариковый радиально-упорный 90BAR10S?
- Изготавливается согласно нормам стандартов ГОСТ 831-75, 8995-75, международным и европейским производственным нормативам ИСО.
- При увеличении контактного угла устройство дает возможность перераспределять прилагаемые рабочие осевые нагрузки в аксиальном направлении и тем самым снижать давление, оказываемое на шарикоподшипники. Соответственно, при уменьшении данного показателя осесимметричный вектор приложения сил падает, а воздействие по оси растет.
- Воспринимает только односторонние усилия. Для двусторонних требуется установка парных устройств или двухрядных аналогов.
- Съёмное внутреннее кольцо, являющееся монолитной или разборной деталью (2 части);
- 1 или 2 ряда тел качения, что позволяет воспринимать однонаправленные или двухсторонние осевые нагрузки;
- Соотношение радиальной и осевой нагрузки меняется в зависимости от величины контактного угла. При его уменьшении повышается допустимая аксиальная нагрузка;
- Тип с повышенными эксплуатационными параметрами (прецизионный) используется в высокоточном оборудовании;
- Возможность упрощённого монтажа в ограниченном пространстве.
Сегодня вы можете заказать с доставкой Подшипник шариковый радиально-упорный 90BAR10S ГОСТ или (аналог ISO) или иные модели от FAG, KOYO, NSK, SKF, SNR по скромной стоимости в нашем онлайн-магазине!
Технические характеристики
Обозначение : 90BAR10S
Размеры, мм : 90x140x22.5
Производитель : NSK
Диаметр внутренний, мм : 90
Диаметр наружный, мм : 140
Высота, мм : 22,5
Технические данные из каталога производителя :
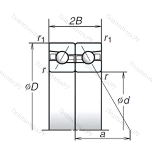
Внутренний диаметр (d) - 90 мм.
Наружный диаметр (D) - 140 мм.
Ширина (высота) (B) - 22,5 мм.
Ширина наружной обоймы (C) - 22,5 мм.
Угол наклона (α) - 30 Градусы
Размер (a) - 44,4 мм.
Размер (r min.) - 1,5 мм.
Размер (r1 min.) - 1 мм.
Размер (2B) - 45 мм.
Масса - 1,198 Кг
Грузоподъемность динамическая (C) - 42,5 кН
Грузоподъемность статическая (C0) - 92,5 кН
Частота вращения предельная при пластичной смазке - 6 600 об/мин
Частота вращения предельная при жидкой смазке - 8 300 об/мин
Граничная нагрузка по усталости осевая (Pu) - 62,5
Вид Продукции - Подшипники
Количество дорожек качения - 2
Уплотнение - Нет
| 
																Производитель
															 | NSK | 
| 
																Ширина B
															 | 22 | 
| 
																Внешний диаметр D
															 | 140 | 
| 
																Внутренний диаметр d
															 | 90 | 
| 
																Размер
															 | 90x140x22 | 
| 
																Вес, кг
															 | 1.198 | 
| 
																Модель
															 | 90BAR10S-NSK | 
| 
																SKU
															 | 90BAR10S-NSK | 
Похожие по размеру
Оформить заказ на нашем сайте легко. Просто добавьте выбранные товары в корзину, а затем перейдите на страницу Корзина, проверьте правильность заказанных позиций и нажмите кнопку «Оформить заказ» или «Быстрый заказ».
Функция «Быстрый заказ» позволяет покупателю не проходить всю процедуру оформления заказа самостоятельно. Вы заполняете форму, и через короткое время вам перезвонит менеджер магазина. Он уточнит все условия заказа, ответит на вопросы, касающиеся качества товара, его особенностей. А также подскажет о вариантах оплаты и доставки.
По результатам звонка, пользователь либо, получив уточнения, самостоятельно оформляет заказ, укомплектовав его необходимыми позициями, либо соглашается на оформление в том виде, в котором есть сейчас. Получает подтверждение на почту или на мобильный телефон и ждёт доставки.
Если вы уверены в выборе, то можете самостоятельно оформить заказ, заполнив по этапам всю форму.
Выберите из списка название вашего региона и населённого пункта. Если вы не нашли свой населённый пункт в списке, выберите значение «Другое местоположение» и впишите название своего населённого пункта в графу «Город». Введите правильный индекс.
	 В зависимости от места жительства вам предложат варианты доставки. Выберите любой удобный способ. 
	
	Оплата
Выберите оптимальный способ оплаты.
Введите данные о себе: ФИО, адрес доставки, номер телефона. В поле «Комментарии к заказу» введите сведения, которые могут пригодиться курьеру, например: подъезды в доме считаются справа налево.
Проверьте правильность ввода информации: позиции заказа, выбор местоположения, данные о покупателе. Нажмите кнопку «Оформить заказ».
Наш сервис запоминает данные о пользователе, информацию о заказе и в следующий раз предложит вам повторить к вводу данные предыдущего заказа. Если условия вам не подходят, выбирайте другие варианты.

 
                                            
                                        
