- Технические характеристики и другая информация предоставляются для справки.
- Чертежи и изображения представлены для ознакомления
Подшипник с перекрестными роликами SX 011880
Технические характеристики
Обозначение : SX011880
Размеры, мм : 400x500x46
Производитель : INA
Диаметр внутренний, мм : 400
Диаметр наружный, мм : 500
Высота, мм : 46
Технические данные из каталога производителя :
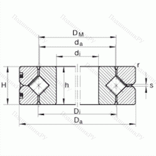
di - 400 mm / Допуск: K6 +0,007 / -0,029
Da - 500 mm / Допуск: h6 -0,040
H - 46 mm / монтажная высота подшипниковДопуск: +/-0,15
Di - 451 mm
DM - 450 mm
da - 449 mm
h - 46 mm / высота отдельного кольцаДопуск: E8 -0,05
rmin - 2,1 mm
S - 2,5 mm / Смазочное отверстие: 3 отверстия равномерно распределены по окружности
m - 24 kg / Вес
- 0,030 mm / точность радиальная
- 0,010 mm / точность осевая
sr min - 0,010 mm / мин. радиальный зазор в подшипнике
sr max - 0,050 mm / макс. радиальный зазор в подшипнике
sk min - 0,020 mm / мин. осевой зазор по опрокидывающему моменту
sk max - 0,10 mm / макс. осевой зазор по опрокидывающему моменту
RLOmax - 0,005 mm / с уменьшенным зазором: радиальный зазор
RLOmax - 0,010 mm / с уменьшенным зазором: предварительный натяг
VSPmin - 0,005 mm / мин. предварительный натяг в подшипнике
VSPmax - 0,025 mm / макс. предварительный натяг в подшипнике
Ca - 385000 N / динамическая грузоподъемность, осевая
C0a - 1800000 N / статическая грузоподъемность, осевая
Cr - 275000 N / динамическая грузоподъемность, радиальная(при исключительно радиальной нагрузке)
C0r - 720000 N / статическая грузоподъемность, радиальная(при исключительно радиальной нагрузке)
nG Ol - 340 1/min / предельная частота вращения при смазывании маслом и нормальном зазоре
nG Fett - 170 1/min / предельная частота вращения при консистентной смазке и нормальном зазоре
nG Ol - 170 1/min / предельная частота вращения при смазывании маслом и предварительном натяге
nG Fett - 85 1/min / предельная частота вращения при консистентной смазке
Размерная серия 18 по DIN 616
|
Производитель
|
INA |
|
Ширина B
|
46 |
|
Внешний диаметр D
|
500 |
|
Внутренний диаметр d
|
400 |
|
Размер
|
400x500x46 |
|
Вес, кг
|
24 |
|
Модель
|
SX011880-INA |
|
SKU
|
SX011880-INA |
Похожие по размеру
Оформить заказ на нашем сайте легко. Просто добавьте выбранные товары в корзину, а затем перейдите на страницу Корзина, проверьте правильность заказанных позиций и нажмите кнопку «Оформить заказ» или «Быстрый заказ».
Функция «Быстрый заказ» позволяет покупателю не проходить всю процедуру оформления заказа самостоятельно. Вы заполняете форму, и через короткое время вам перезвонит менеджер магазина. Он уточнит все условия заказа, ответит на вопросы, касающиеся качества товара, его особенностей. А также подскажет о вариантах оплаты и доставки.
По результатам звонка, пользователь либо, получив уточнения, самостоятельно оформляет заказ, укомплектовав его необходимыми позициями, либо соглашается на оформление в том виде, в котором есть сейчас. Получает подтверждение на почту или на мобильный телефон и ждёт доставки.
Если вы уверены в выборе, то можете самостоятельно оформить заказ, заполнив по этапам всю форму.
Выберите из списка название вашего региона и населённого пункта. Если вы не нашли свой населённый пункт в списке, выберите значение «Другое местоположение» и впишите название своего населённого пункта в графу «Город». Введите правильный индекс.
В зависимости от места жительства вам предложат варианты доставки. Выберите любой удобный способ.
Оплата
Выберите оптимальный способ оплаты.
Введите данные о себе: ФИО, адрес доставки, номер телефона. В поле «Комментарии к заказу» введите сведения, которые могут пригодиться курьеру, например: подъезды в доме считаются справа налево.
Проверьте правильность ввода информации: позиции заказа, выбор местоположения, данные о покупателе. Нажмите кнопку «Оформить заказ».
Наш сервис запоминает данные о пользователе, информацию о заказе и в следующий раз предложит вам повторить к вводу данные предыдущего заказа. Если условия вам не подходят, выбирайте другие варианты.
