- Технические характеристики и другая информация предоставляются для справки.
- Чертежи и изображения представлены для ознакомления
Подшипник роликовый радиальный самоцентрирующийся 23126-K-MB-W 33+AHX 3126
Подшипник роликовый радиальный самоцентрирующийся 23126-K-MB-W33+AHX3126 предназначен, главным образом, для эксплуатации в условиях аксиальных воздействий. Существуют варианты в однорядном и двухрядном исполнении. В первом случае неразъемная конструкция закрепляется при помощи втулок и включает бочкообразные роликоподшипники, сепаратор, толстостенную внешнюю обойму сферической формы и внутреннее широкое кольцо с бортиками, в котором иногда располагается посадочное гнездо под цилиндрическую или коническую посадочную основу. Второй тип имеет двухрядный набор тел качения и способен к восприятию как аксиальных, так и осевых нагрузок.
Каковы отличительные черты Подшипник роликовый радиальный самоцентрирующийся 23126-K-MB-W33+AHX3126?
-
Деталь является самоцентрирующейся, то есть позволяет выравнивать перекосы, возникающие в процессе ее установки, компенсирует прогиб валов, несоосность.
-
Применяется в барабанных лебедках, врубовых агрегатах, угольных комбайнах, мощных редукторах, шнеках, крановых скатах и так далее.
-
Обладает высокой грузоподъемностью и износостойкостью даже при ударных темпах работы.
В каталоге магазина для заказа онлайн доступен Подшипник роликовый радиальный самоцентрирующийся 23126-K-MB-W33+AHX3126 ГОСТ или его (аналоги ISO) и прочие высококачественные модели от компаний FAG, KOYO, NSK, SKF, SNR по доступной стоимости!
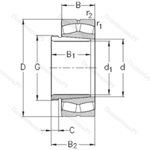
Технические характеристики
Обозначение : 23126-K-MB-W33+AHX3126
Размеры, мм : 130x210x64
Производитель : NKE
Диаметр внутренний, мм : 130
Диаметр наружный, мм : 210
Высота, мм : 64
Технические данные из каталога производителя :
Внутренний диаметр (d) - 130 мм.
Внутренний диаметр (d1) - 125
Наружный диаметр (D) - 210 мм.
Ширина (высота) (B) - 64 мм.
Ширина наружной обоймы (C) - 64 мм.
Размер (r1 min.) - 2 мм.
Размер (r2 min.) - 2 мм.
Размер (B1) - 78 мм.
Размер (B2) - 82 мм.
Размер (C) - 12 мм.
Резьба (G) - M 140x2
Масса - 10,29 Кг
Грузоподъемность динамическая (C) - 474 кН
Грузоподъемность статическая (C0) - 752 кН
Частота вращения предельная - 3200 об/мин
Расчетный коэффициент (e) - 0,3
Расчетный коэффициент (Y0) - 2,1
Расчетный коэффициент (Y1) - 2,2
Расчетный коэффициент (Y2) - 3,2
Количество дорожек качения - 2
Уплотнение - Нет
|
Производитель
|
NKE |
|
Ширина B
|
64 |
|
Внешний диаметр D
|
210 |
|
Внутренний диаметр d
|
130 |
|
Размер
|
130x210x64 |
|
Вес, кг
|
10.29 |
|
Модель
|
23126-K-MB-W33-AHX3126-NKE |
|
SKU
|
23126-K-MB-W33-AHX3126-NKE |
Похожие по размеру
Оформить заказ на нашем сайте легко. Просто добавьте выбранные товары в корзину, а затем перейдите на страницу Корзина, проверьте правильность заказанных позиций и нажмите кнопку «Оформить заказ» или «Быстрый заказ».
Функция «Быстрый заказ» позволяет покупателю не проходить всю процедуру оформления заказа самостоятельно. Вы заполняете форму, и через короткое время вам перезвонит менеджер магазина. Он уточнит все условия заказа, ответит на вопросы, касающиеся качества товара, его особенностей. А также подскажет о вариантах оплаты и доставки.
По результатам звонка, пользователь либо, получив уточнения, самостоятельно оформляет заказ, укомплектовав его необходимыми позициями, либо соглашается на оформление в том виде, в котором есть сейчас. Получает подтверждение на почту или на мобильный телефон и ждёт доставки.
Если вы уверены в выборе, то можете самостоятельно оформить заказ, заполнив по этапам всю форму.
Выберите из списка название вашего региона и населённого пункта. Если вы не нашли свой населённый пункт в списке, выберите значение «Другое местоположение» и впишите название своего населённого пункта в графу «Город». Введите правильный индекс.
В зависимости от места жительства вам предложат варианты доставки. Выберите любой удобный способ.
Оплата
Выберите оптимальный способ оплаты.
Введите данные о себе: ФИО, адрес доставки, номер телефона. В поле «Комментарии к заказу» введите сведения, которые могут пригодиться курьеру, например: подъезды в доме считаются справа налево.
Проверьте правильность ввода информации: позиции заказа, выбор местоположения, данные о покупателе. Нажмите кнопку «Оформить заказ».
Наш сервис запоминает данные о пользователе, информацию о заказе и в следующий раз предложит вам повторить к вводу данные предыдущего заказа. Если условия вам не подходят, выбирайте другие варианты.
