Подшипниковые корпуса типа P
|
|||||
|
В ассортименте подшипниковой продукции известных брендов, которую реализует компания «ПодшипникРУ» всегда можно подобрать необходимые подшипниковые корпуса, включая тип «Р».
Краткая информация о товаре
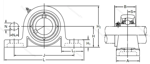
В подавляющем большинстве случаев, подшипниковые корпуса (включая тип «Р») изготавливаются путём чугунного литья, с последующей механической обработкой. Они являются составными элементами подшипниковых узлов, комплектуемых подшипниками, которые фиксируются стопорными винтами (метрической или дюймовой размерности).
Мы реализуем все три существующих типа данных подшипниковых корпусов, изготавливаемых под брендом CRAFT:
- Тип «Р» - в конструкции предусмотрены крепёжные отверстия, расположенные перпендикулярно оси вала. Это стационарный корпус на лапах или без таковых.
Первая, маркируется литерой «А» и имеет сквозные отверстия для крепёжных болтов в лапах.
Вторая версия маркируется «РА» и имеет глухие отверстия для крепёжных болтов, выполненные в основании корпуса.
Эти изделия, за вариант установки исключительно на горизонтальных поверхностях, иногда именуют «стоящими корпусами».
Корпуса данных типов используются при производстве подшипниковых узлов серий UCP (2 и 3), UCPA, UCPH (2 и 3). Полный перечень узлов, для которых востребован корпус упомянутого типа, можно уточнить у представителя компании.
- Тип «F» - имеет фланец квадратной формы и фиксируется на вертикальных поверхностях четырьмя болтами;
- Тип «Т» - корпус натяжного типа.
Обращаем внимание заказчиков на то, что маркировка у различных производителей может различаться, причём весьма существенно. Пример. Если вы решите приобрести подшипниковый корпус типа «Р», изготовленный компанией FKL, то, вместо стационарного чугунного, получите разборный стальной штампованный, с фланцем ромбического типа.




















