- Технические характеристики и другая информация предоставляются для справки.
- Чертежи и изображения представлены для ознакомления
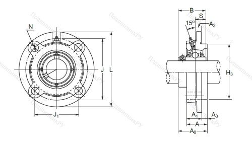
Подшипниковый узел UCFC 210

Фланцевая гильза из чугуна или стали оснащена корпусным радиальным шарикоподшипником UC-серии, имеющим внутреннюю обойму удлиненного вида и винтовой стопорной крепеж. Монтаж детали осуществляется методом подгонки.
Где применяется и чем отличается деталь Подшипниковый узел UCFC 210?
- Устанавливается во вращающихся механизмах: барабанах, валах.
- Предназначена для умеренных рабочих условий со средними нагрузками и вибрациями.
- Тело качения закрыто оболочкой и защищено дополнительными уплотнениями.
- Заводская смазка вырабатывается в процессе службы и нуждается в периодическом дополнении через масленочную систему. Однако некоторые модели являются необслуживаемыми (как самостатятельно смазать подшипник описано здесь).
- Иногда устройство комплектуется стальными или чугунными крышками для защиты.
Вам нужен надежный и долговечный Подшипниковый узел UCFC 210? Выберите в онлайн-каталоге подходящий и необходимый размер, наружный: D - от 0мм до 150мм и внутренний диаметр: d - 50мм!
| Бренд | CRAFT |
| Страна производитель | СИНГАПУР |
| Внутренний диаметр d | 50 мм |
| Внешний диаметр D | 0 мм |
| Ширина B(H) | 0 мм |
Похожие по размеру
Оформить заказ на нашем сайте легко. Просто добавьте выбранные товары в корзину, а затем перейдите на страницу Корзина, проверьте правильность заказанных позиций и нажмите кнопку «Оформить заказ» или «Быстрый заказ».
Функция «Быстрый заказ» позволяет покупателю не проходить всю процедуру оформления заказа самостоятельно. Вы заполняете форму, и через короткое время вам перезвонит менеджер магазина. Он уточнит все условия заказа, ответит на вопросы, касающиеся качества товара, его особенностей. А также подскажет о вариантах оплаты и доставки.
По результатам звонка, пользователь либо, получив уточнения, самостоятельно оформляет заказ, укомплектовав его необходимыми позициями, либо соглашается на оформление в том виде, в котором есть сейчас. Получает подтверждение на почту или на мобильный телефон и ждёт доставки.
Если вы уверены в выборе, то можете самостоятельно оформить заказ, заполнив по этапам всю форму.
Выберите из списка название вашего региона и населённого пункта. Если вы не нашли свой населённый пункт в списке, выберите значение «Другое местоположение» и впишите название своего населённого пункта в графу «Город». Введите правильный индекс.
В зависимости от места жительства вам предложат варианты доставки. Выберите любой удобный способ.
Оплата
Выберите оптимальный способ оплаты.
Введите данные о себе: ФИО, адрес доставки, номер телефона. В поле «Комментарии к заказу» введите сведения, которые могут пригодиться курьеру, например: подъезды в доме считаются справа налево.
Проверьте правильность ввода информации: позиции заказа, выбор местоположения, данные о покупателе. Нажмите кнопку «Оформить заказ».
Наш сервис запоминает данные о пользователе, информацию о заказе и в следующий раз предложит вам повторить к вводу данные предыдущего заказа. Если условия вам не подходят, выбирайте другие варианты.


