- Технические характеристики и другая информация предоставляются для справки.
- Чертежи и изображения представлены для ознакомления
7001A 5TRDUMP 3 радиально-упорный шпиндельный подшипник NSK
7001A5TRDUMP3 радиально-упорный шпиндельный подшипник NSK входит в ряд шпиндельных, или радиально-упорных подшипниковых узлов класса точности Р2, Р3, Р4 и углами контакта 25, 18 и 15 градусов. В отличие от подшипниковых узлов общего назначения, обладает улучшенными эксплуатационными характеристиками: большей скоростью и четкостью движений, невысоким тепловыделением, малошумностью, низкой вибрацией. Имеет корпус из полиамида или текстолита с заключенными внутрь стальными либо керамическими шариками в качестве тел качения.
Где применяется и какими особенностями обладает 7001A5TRDUMP3 радиально-упорный шпиндельный подшипник NSK?
- Отличается высокой частотой вращения, усиленной грузоподъемностью и более длительным сроком эксплуатации.
- Требует меньших затрат на энергопотребление и техобслуживание, позволяет оптимизировать рабочий процесс.
- Устанавливается в полиграфическом оборудовании, шпинельных узлах, турбонагнетателях, обрабатывающих центрах, прокатных высокоскоростных станках, гоночных автомобилях, вакуумных насосах, гироскопических стабилизаторах и другом высокоточном оборудовании.
Ищете 7001A5TRDUMP3 радиально-упорный шпиндельный подшипник NSK ГОСТ или (аналог ISO) от производителей FAG, NSK, SNR, SKF, KOYO? Наши консультанты помогут определиться с выбором нужной детали!
7001A5TRDUMP3 прецизионный радиально-упорный шариковый подшипник NSK
Угол контакта C = 15?; A5 = 25?; A = 30?
Код материала
Символ отсутствует - подшипниковая сталь
(SUJ2) SN24 - керамический шарик (Si3N4)
Сепаратор подшипника
TYN - направляемый шариками полиамидный сепаратор; предельная скорость dmn = 1400000; предельная рабочая температура = 120?C
TR - направляемый наружным кольцом сепаратор из фенольно-альдегидного полимера; предельная рабочая температура = 120°C
Уплотнение подшипника
Символ отсутствует: открытый тип
V1V - неконтактное резиновое уплотнение
Компоновка
SU - универсальная компоновка (однорядная) - 1 подшипник
DU - универсальная компоновка (двухрядная) - 2 подшипника
DB - компоновка "спина к спине" - 2 подшипника DF: компоновка "лицо к лицу" - 2 подшипника
DT - "тандемная" компоновка - 2 подшипника DBD, DFD, DTD,
DUD - триплексные компоновки - 3 подшипника DBB, DFF, DBT, DFT, DTT,
QU - квадраплексные компоновки - 4 подшипника
Преднатяг
EL: сверхлегкий преднатяг
L: легкий преднатяг
M: средний преднатяг
H: большой преднатяг
CP: специальный преднатяг
CA: специальный осевой зазор
Точность
P2: МОС Класс 2
P4: МОС Класс 4
P5: МОС Класс 5
P3: специальный класс (точность размеров: МОС Класс 4; точность вращения: МОС Класс 2)
P4Y: специальная точность (Внутренний и внешний диаметры принадлежат исключительно NSK.
Все остальное имеет стандарт МОС Класс 4.)
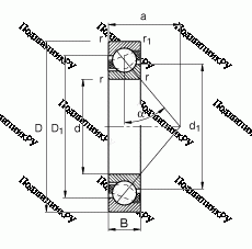
Эскиз подшипника носит информационных характер, служит только для указания размеров подшипника
Размеры:
d =12 mm
D =28 mm
B =16 mm
Вес = 0,04 (кг)
Подшипник NSK - 7001-A5-TR-DU-M-P3 (базовое обозначение). Полное обозначение подшипника NSK - 7001A5TRDUMP3 RR 5
|
Производитель
|
NSK |
|
Ширина B
|
16 |
|
Внешний диаметр D
|
28 |
|
Внутренний диаметр d
|
12 |
|
Размер
|
12x28x16 |
|
Модель
|
7001A5TRDUMP3 |
Похожие по размеру
Оформить заказ на нашем сайте легко. Просто добавьте выбранные товары в корзину, а затем перейдите на страницу Корзина, проверьте правильность заказанных позиций и нажмите кнопку «Оформить заказ» или «Быстрый заказ».
Функция «Быстрый заказ» позволяет покупателю не проходить всю процедуру оформления заказа самостоятельно. Вы заполняете форму, и через короткое время вам перезвонит менеджер магазина. Он уточнит все условия заказа, ответит на вопросы, касающиеся качества товара, его особенностей. А также подскажет о вариантах оплаты и доставки.
По результатам звонка, пользователь либо, получив уточнения, самостоятельно оформляет заказ, укомплектовав его необходимыми позициями, либо соглашается на оформление в том виде, в котором есть сейчас. Получает подтверждение на почту или на мобильный телефон и ждёт доставки.
Если вы уверены в выборе, то можете самостоятельно оформить заказ, заполнив по этапам всю форму.
Выберите из списка название вашего региона и населённого пункта. Если вы не нашли свой населённый пункт в списке, выберите значение «Другое местоположение» и впишите название своего населённого пункта в графу «Город». Введите правильный индекс.
В зависимости от места жительства вам предложат варианты доставки. Выберите любой удобный способ.
Оплата
Выберите оптимальный способ оплаты.
Введите данные о себе: ФИО, адрес доставки, номер телефона. В поле «Комментарии к заказу» введите сведения, которые могут пригодиться курьеру, например: подъезды в доме считаются справа налево.
Проверьте правильность ввода информации: позиции заказа, выбор местоположения, данные о покупателе. Нажмите кнопку «Оформить заказ».
Наш сервис запоминает данные о пользователе, информацию о заказе и в следующий раз предложит вам повторить к вводу данные предыдущего заказа. Если условия вам не подходят, выбирайте другие варианты.

